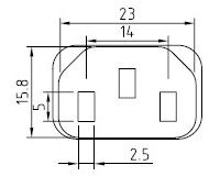
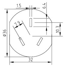
Çin Güç Kablosu
AC-CM402A+501
Çin
Charng Min Çin CCC sertifikası altında üretilmiş AC güç kablosudur ve 3 pronglu güç kablosu fişi ile birlikte gelir ve Ev Aletleri, Makineler, Aydınlatma Cihazları, Klima Sistemleri, Görsel ve İşitsel Ekipmanlar... vb. gibi alanlarda yaygın olarak kullanılmaktadır.
3 prong güç kablosu fişi
AMP
- 10A
Volt
- 250V
Uyumlu Standartlar
- GB 2099
- GB 1002
Mevcut Kablolar
- 60227 IEC 53: 3 x 0.75 / 1.0
- 60245 IEC 53: 3 x 0.75 / 1.0
- 60245 IEC 57: 3 x 0.75 / 1.0
- Güvenlik
- İlgili Ürünler
-
-
Çin Güç Kablosu
AC-CM402A
Charng Min Çin CCC sertifikası altında üretilmiş AC güç kablosudur ve 3 pronglu güç kablosu fişi ile birlikte gelir ve Ev Aletleri, Makineler, Aydınlatma Cihazları, Klima Sistemleri, Görsel ve İşitsel Ekipmanlar... vb. gibi alanlarda yaygın olarak kullanılmaktadır.
-
IEC Güç Kablosu
AC-CM501
● Danimarka DEMKO/Norveç NEMKO/İsveç SEMKO/Finlandiya FIMKO/İsviçre SEV/Fransa NF/İtalya IMQ/ABD UL/Almanya VDE/Hollanda KEMA/Avusturya OVE/Belçika CEBEC/Arjantin IRAM/Rusya GOST/Çin CCC/Japonya PSE/Kanada CSA/Kore KE/Tayvan CNS sertifikası ● 3 prong güç kablosu fişi ● Uygulama: Aletler, Makineler, Aydınlatma Cihazları, Klima Sistemleri, Görsel ve İşitsel Ekipmanlar vb.
-


