Plug type search
Cardápio
- Página inicial
- Empresa
- Produtos
- Aplicação
- Produção
- 
Notícias
- 2025 Feira de Automação de Taipei (20/08~23/08)
- Expo de Tecnologia de Processamento de Fios Elétricos de 2025 (EWPTE)(5/6~5/8)
- 2025 Taipei ampa/autotronics Taipei (4/33 ~ 4/6 26)
- Exposição de Automação de Taipei 2024 (21/08~24/08)
- 2024 Taipei AMPA / Autotronics Taipei (17/04~20/04)
- 2024 Ciclo de Taipei (3/6~3/9)
- Inteligente Ásia Tailândia 2024 (29/2~2/3)
- Anúncio do Festival do Barco do Dragão 2021
- 2021 Taipei AMPA / Autotronics Taipei (4/14-4/17)
- Anúncio de Feriado - Ano Novo Lunar Chinês
- Exposição Internacional de Automação Industrial de Taipei 2020 (19/8-22/8)
- Anúncio de Feriado - Ano Novo Lunar Chinês
- Feliz Natal e Próspero Ano Novo
- 2019 Feira Internacional de Eletrônicos de Taipei (16/10-18/10)
- Exposição Internacional de Automação Industrial de Taipei 2019 (21/08-24/08)
- Charng Min obteve a certificação ISO13485:2016
- Anúncio de Feriado - Ano Novo Lunar Chinês
- Feliz Natal e Próspero Ano Novo
- Avaliação do sistema de gestão da qualidade TTQS 2018 'Versão Empresarial - Prêmio Bronze'
- Charng Min passou na certificação IATF 16949:2016
- Charng Min recebeu o Prêmio de Excelência do Fornecedor da SHUTER Enterprise Co. Ltd.
- Feira Internacional de Eletrônicos de Taipei 2018 (10/9-10/12)
- Exposição Internacional de Automação Industrial de Taipei 2018 (1/8-4/8)
- Charng Min recebeu o Prêmio de Excelência do Fornecedor de 2017 da Johnson Health Tech Co., Ltd.
- Anúncio de Feriado - Ano Novo Lunar Chinês
- Feliz Natal e Próspero Ano Novo
- Feira Internacional de Eletrônica de Taipei 2017 (11/10 a 14/10)
- CMEC é certificado pela nova versão da ISO 9001:2015
- 2016 Feira Internacional de Eletrônicos de Taipei (10/06-10/09)
- O prêmio de trabalho superior de 2014 de Taichung, Changhua e Nantou City
- Seminário de Visitas de Liderança Charng Min
 
- Entre em contato
Melhor venda
Cabo de Alimentação dos EUA | Fabricante de Chicotes de Fios - Charng Min
Charng Min Electronic Co., Ltd. é um dos principais fabricantes de chicotes elétricos de Taiwan, China, desde 1981.
Charng Min oferece uma ampla gama de conectores de chicotes elétricos, chicotes à prova d'água, plugues modulares, cabos planos e cabos de alimentação com interruptores de pé, que são certificados e atendem a padrões internacionais como CE, UL, GOST, ASTA, SEV e mais.
Charng Min tem oferecido aos clientes Cabo de Alimentação, Interruptor de Pé, Cabo de Extensão, Chicote de Fios Simples, Conector Industrial, Série à Prova d'Água, Plug Modular, D-SUB, IDC / Cabo Plano, SCSI, SATA, DC, USB, DIN, Série de Áudio / Vídeo, Antena, Conectores de Carro, Sensor de Reed de alta qualidade e custo efetivo. Com tecnologia avançada e 40 anos de experiência, Charng Min garante atender às demandas de cada cliente.
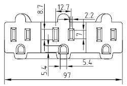
Cabo de Alimentação dos EUA
AC-CM221
EUA
Charng Min foi produzido nos EUA, cabo de alimentação AC sob certificação UL da América e CSA do Canadá. É um cabo de alimentação de 3 pinos e amplamente utilizado em eletrodomésticos, máquinas, dispositivos de iluminação, sistemas de ar-condicionado, equipamentos visuais e de áudio…etc.
Plugue de cabo de energia de 3 pinos
AMP
- 13A
- 15A
Volts
- 125V
Normas Cumpridas
- UL 817
Cabos Disponíveis
- SJT: 16 / 14 / 12A x 3C
- SJTW: 16 / 14 / 12A x 3C
- SJTOW: 16 / 14 / 12A x 3C
- Segurança
 



 
 
 
