Kabel zasilający IEC
AC-CM602
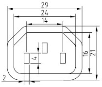
Wtyczka IEC
Charng Min został wyprodukowany w Ameryce UL/Austria OVE/Belgia CEBEC/Chiny CCC/Dania DEMKO/Finlandia FIMKO/Włochy IMQ/Japonia PSE/Niderlandy KEMA/Norwegia NEMKO/Rosja GOST/Niemcy VDE/Szwajcaria SEV.
To jest wtyczka z 3 bolcami, szeroko stosowana w urządzeniach, maszynach, urządzeniach oświetleniowych, systemach klimatyzacyjnych, sprzęcie wizualnym i audio… itd.
3-wtykowa wtyczka zasilająca
AMP
- 10A
- 12A
- 13A
- 15A
Wolty
- 125V
- 250V
- 250V~
Zgodne standardy
- IEC 320 C14
Dostępne przewody
- RVV (60227 IEC 53): 3G 0.75 / 1.0 / 1.5
- VCTF: 3C x 1.25
- H05VV-F: 3G 0.75 / 1.0
- SPT-2: 18 / 16A x 3C
- SVT / SJT ekranowany: 18A x 3C
- SVT: 18 / 16A x 3C
- *SJT(3): 18 / 16 / 14A x 3C
Grupa przewodów
- (3) SJT, SJTW, SJTO, SJTOW, SJTOO, SJTOOW
Specyfikacja
- 10A / 13A / 15A : 125V / 250V
- 10A : 250V~
- 12A : 250V
- Bezpieczeństwo


