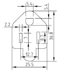
암페어
- 10A
- 13A
- 15A
볼트
- 125V
표준
- UL 817 NEMA 5-15R
- CSA 22.2 NO.21-95
적용 선재
- SPT-2: 18 / 16A x 3C
- SVT: 18A x 3C
- SVTO: 18A x 3C
- SVTOO: 18A x 3C
- SJ: 18 / 16 / 14 / 12A x 3C
- SJO(W): 18 / 16 / 14 / 12A x 3C
- SJOO(W): 18 / 16 / 14 / 12A x 3C
- SJT(W): 18 / 16 / 14 / 12A x 3C
- SJTO(W): 18 / 16 / 14 / 12A x 3C
- SJTOO(W): 18 / 16 / 14 / 12A x 3C
- 안전 규정
 



 
 
 
