전원선 플러그
AC-CM501
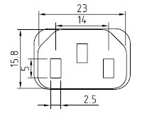
IEC 플러그
● 덴마크 DEMKO/노르웨이 NEMKO/스웨덴 SEMKO/핀란드 FIMKO/스위스 SEV/프랑스 NF/이탈리아 IMQ/미국 UL/독일 VDE/네덜란드 KEMA/오스트리아 OVE/벨기에 CEBEC/아르헨티나 IRAM/러시아 GOST/중국 CCC/일본 PSE/캐나다 CSA/한국 KE/대만 CNS 규격 전원 플러그
● 3선(3C)
● 적용: 가전 제품, 기계 장비, 조명 기구, 공조 시스템, 오디오 비디오 장비 등 제품
암페어
- 7A
- 10A
- 11A
- 12A
- 13A
- 15A
볼트
- 125V
- 125V~
- 250V
- 250V~
표준
- IEC 320 C13
적용 선재
- H05VV-F: 3G 0.75 / 1.0
- RVV (60227 IEC 53): 3G 0.75 / 1.0
- (H)VCTF: 3x 0.75 / 1.25 / 2.0
- SPT-2: 18 / 16A x 3C
- SVT 차폐: 18A x 3C
- SJT 차폐: 18A x 3C
- *SVT(5): 18 / 16A x 3C
- *SJ(1): 18 / 16 / 14A x 3C
- *SJE(2): 18 / 16 / 14A x 3C
- *SJT(3): 18 / 16 / 14A x 3C
선 조합
- (1) SJ, SJO, SJOW, SJOO, SJOOW
- (2) SJE, SJEW, SJEO, SJEOW, SJEOO, SJEOOW
- (3) SJT, SJTW, SJTO, SJTOW, SJTOO, SJTOOW
- (5) SVT, SVTO, SVTOO
규격
- 7A / 12A / 15A : 125V
- 10A / 13A / 15A : 125V / 250V
- 7A / 10A / 11A / 15A : 125V~
- 10A : 250V~
- 12A : 250V
- 안전 규정


