Plug type search
Menú
- Página de inicio
- Empresa
- Productos
- Aplicación
- Producción
-
Noticias
- Exposición de Automatización de Taipei 2025 (20/8~23/8)
- Exposición de Tecnología de Procesamiento de Cables Eléctricos 2025 (EWPTE)(5/6~5/8)
- 2025 Taipei AMPA / Autotronics Taipei (23/4~26/4)
- Feria de Automatización de Taipei 2024 (21/08~24/08)
- 2024 Taipei AMPA / Autotronics Taipei (del 17 al 20 de abril)
- 2024 Ciclo de Taipei (3/6~3/9)
- Inteligente Asia Tailandia 2024 (29/2~2/3)
- Anuncio del Festival del Barco Dragón 2021
- 2021 Taipei AMPA / Autotronics Taipei (4/14-4/17)
- Anuncio de Vacaciones – Año Nuevo Lunar Chino
- Exposición Internacional de Automatización Industrial de Taipei 2020 (19/8-22/8)
- Anuncio de Vacaciones – Año Nuevo Lunar Chino
- Feliz Navidad y Próspero Año Nuevo
- 2019 Feria Internacional de Electrónica de Taipei (10/16-10/18)
- Exposición Internacional de Automatización Industrial de Taipei 2019 (21/08-24/08)
- Charng Min ha obtenido la certificación ISO13485:2016
- Anuncio de Vacaciones – Año Nuevo Lunar Chino
- Feliz Navidad y Próspero Año Nuevo
- Evaluación del sistema de gestión de calidad TTQS 2018 'Versión Empresarial - Premio de Bronce'
- Charng Min ha pasado la certificación IATF 16949:2016
- Charng Min fue galardonado con el Premio de Excelencia del Proveedor de SHUTER Enterprise Co. Ltd.
- Feria Internacional de Electrónica de Taipei 2018 (10/9-10/12)
- Exposición Internacional de Automatización Industrial de Taipei 2018 (1/8-4/8)
- Charng Min recibió el Premio de Excelencia al Proveedor 2017 de Johnson Health Tech Co., Ltd.
- Anuncio de Vacaciones – Año Nuevo Lunar Chino
- Feliz Navidad y Próspero Año Nuevo
- Feria Internacional de Electrónica de Taipei 2017 (10/11-10/14)
- CMEC está certificado por la nueva versión de ISO 9001:2015
- Feria Internacional de Electrónica de Taipei 2016 (10/06-10/09)
- El premio laboral superior de 2014 de Taichung, Changhua y Nantou City
- Seminario de Visitas de Liderazgo Charng Min
- Contáctenos
Mejor venta
Cable de Alimentación | Fabricante de arneses de cables - Charng Min
Charng Min Electronic Co., Ltd. es uno de los principales fabricantes de arneses de cables de Taiwán, China, desde 1981.
Charng Min ofrece una amplia gama de conectores de arneses de cables, arneses de cables impermeables, enchufes modulares, cables planos y cables de alimentación con interruptores de pie, que están certificados y cumplen con estándares internacionales como CE, UL, GOST, ASTA, SEV y más.
Charng Min ha estado ofreciendo a sus clientes cables de alimentación de alta calidad y rentables, interruptores de pie, cables de extensión, arneses de cables simples, conectores industriales, series impermeables, enchufes modulares, D-SUB, IDC / cables planos, SCSI, SATA, DC, USB, DIN, series de audio / video, antenas, conectores para automóviles, sensores de lengüeta. Con tecnología avanzada y 40 años de experiencia, Charng Min se asegura de satisfacer las demandas de cada cliente.
Cable de Alimentación
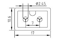
AC-CM510
Otros enchufes
Es un cable de alimentación de 2 clavijas y se utiliza ampliamente en electrodomésticos, máquinas, dispositivos de iluminación, sistemas de aire acondicionado, equipos visuales y de audio, etc.
Enchufe de cable de alimentación de 3 clavijas
AMP
- 3A
- 10A
Voltios
- 125V
Cables Disponibles
- H03VVH2-F: 2x 0.75
- SPT-1: 18A x 2C
- SPT-2: 18A x 2C


