China Stromkabel
AC-CM404A+501H
China
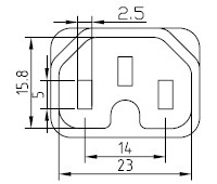
Charng Min wurde in China hergestellt, AC-Stromkabel unter China CCC-Zertifizierung, es ist ein 3-poliger Stromstecker und wird häufig in Geräten, Maschinen, Beleuchtungsgeräten, Klimaanlagen, Audio- und Videoequipment usw. verwendet.
3-poliger Netzkabelstecker
AMP
- 10A
Volt
- 250V
Einhaltung von Standards
- GB 2099
- GB 1002
Verfügbare Kabel
- 60245 IEC 53: 3 x 0,75 / 1,0
- 60245 IEC 57: 3 x 0,75 / 1,0
- Sicherheit
- Verwandte Produkte
-
-
China Stromkabel
AC-CM404A
Charng Min wurde in China hergestellt, AC-Stromkabel unter China CCC-Zertifizierung, es ist ein 3-poliger Stromstecker und wird häufig in Geräten, Maschinen, Beleuchtungsgeräten, Klimaanlagen, Audio- und Videoequipment usw. verwendet.
-
IEC-Stromkabel
AC-CM501H
Charng Min wurde mit Schweden SEMKO/China CCC/Japan PSE/Taiwan CNS/Deutschland VDE-Zertifizierung hergestellt. Es hat einen 3-poligen Stromkabelstecker und wird häufig bei Geräten, Maschinen, Beleuchtungsanlagen, Klimaanlagen, visuellen und audiovisuellen Geräten usw. verwendet.
-


