Europäisches Stromkabel
AC-CM312+511RL
Europa
Charng Min wurde in Europa mit einem AC-Stromkabel gemäß IEC 60884 / EN50075, IEC 320 C13-Zertifizierung hergestellt. Es hat 3-polige Steckdosen und wird häufig bei Geräten, Maschinen, Beleuchtungsanlagen, Klimaanlagen, visuellen und audiovisuellen Geräten usw. verwendet.
3-poliger Netzkabelstecker
AMP
- 10A
Volt
- 250V~
Einhaltung von Standards
- IEC 884 / CEE7-VII
- IEC 320 C13
Verfügbare Kabel
- H05VV-F: 3G 0.75 / 1.0
- Verwandte Produkte
-
-
Europäisches Stromkabel
AC-CM312
Charng Min wurde in Europa mit einem AC-Stromkabel gemäß IEC 60884 / EN50075-Zertifizierung hergestellt. Es hat 3-polige Steckdosen und wird häufig bei Geräten, Maschinen, Beleuchtungsanlagen, Klimaanlagen, visuellen und audiovisuellen Geräten usw. verwendet.
-
IEC-Stromkabel
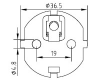
AC-CM511R&L
● Belgien CEBEC/USA UL/Australien SAA/Österreich OVE/China CCC/Dänemark DEMKO/Finnland FIMKO/Italien IMQ/Japan PSE/Taiwan CNS/Norwegen NEMKO/Schweiz SEV/Schweden SEMKO/Niederlande KEMA/Deutschland VDE-Zertifizierung ● 3-poliger Stromkabelstecker ● Anwendung: Geräte, Maschinen, Beleuchtungsgeräte, Klimaanlagen, audiovisuelle Geräte usw.
-


